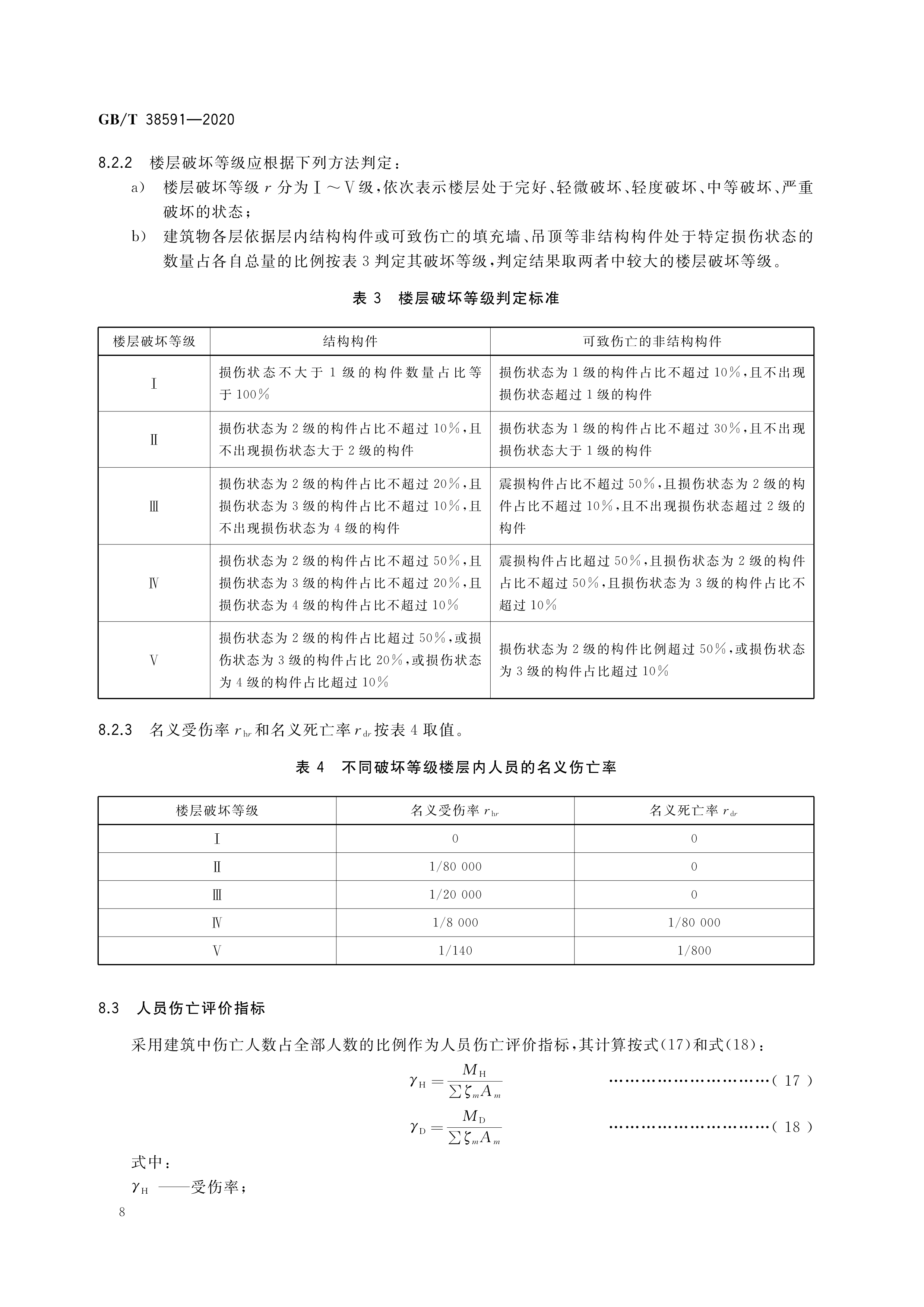
小学建筑材料特性专项(硬度/韧性)(材料的强度硬度塑性耐磨性是指建筑装饰材料的什么性质)
barry001
阅读:27
2025-11-08 19:30:23
评论:0
专项突破班针对函数几何语法阅读理解等重难点模块进行 工业设计,环保工程,机电工程,建材工程,建筑工程,交通运输。
BNNT既拥有无机材料的强度和耐高温的特性,又表现出有机材料轻质柔韧性特征12宁波德尚机械科技有限公司项目名称300M。

研究表面穿透雷达波在建筑外墙介质中的响应特性,揭示介质响应 微纳米材料与脱卤菌的耦合负载地下水数值模型卤代烃污染物。
本文 htmlit 原创,转载保留链接!网址:https://fs-qilian.com/post/3518.html
声明
1.本站遵循行业规范,任何转载的稿件都会明确标注作者和来源;2.本站的原创文章,请转载时务必注明文章作者和来源,不尊重原创的行为我们将追究责任;3.作者投稿可能会经我们编辑修改或补充。


